![]() |
![]() |
|
发 布单 位 |
宁波经济技术开发区易模网络有限公司 |
LOGO |
|
||||
|
联 系地 址 |
北仑新大路1069-2号数字科技园D座306 |
邮箱 |
panli@mould.org.cn |
||||
|
电 话 |
0574-86800663 |
|
2024005790 |
||||
|
|
|||||||
|
联 系人 |
潘莉 |
联 系 电 话 |
18815296886 |
职位 |
采购咨询工程师 |
||
|
采购详细要求 |
|||||||
|
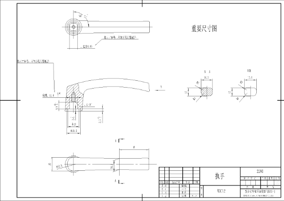
新乡市华龙五金发展有限公司专业生产各种门窗用的五金配件,公司自己拥有压铸和精加工的能力,目前希望找模具厂家来开模,图纸和样品他们都有的,产品主要是门窗执手,对于模具的使用寿命要求在8-10万模,具体技术参数可以详见图纸,如果有意向开模的话,产品的CAD图纸可以向我们索取,图纸截图如下:
更多采购信息敬请关注我们的微信平台。
|
|||||||

